Low voltage circuit breaker
Product Introduction
The protection and management of HTA/BT transformers in rural areas involves the use of specific circuit breakers adapted to large load imbalances and thus guarantee the full exploitation of the installed power even in unbalanced condtitons box circuit breaker.
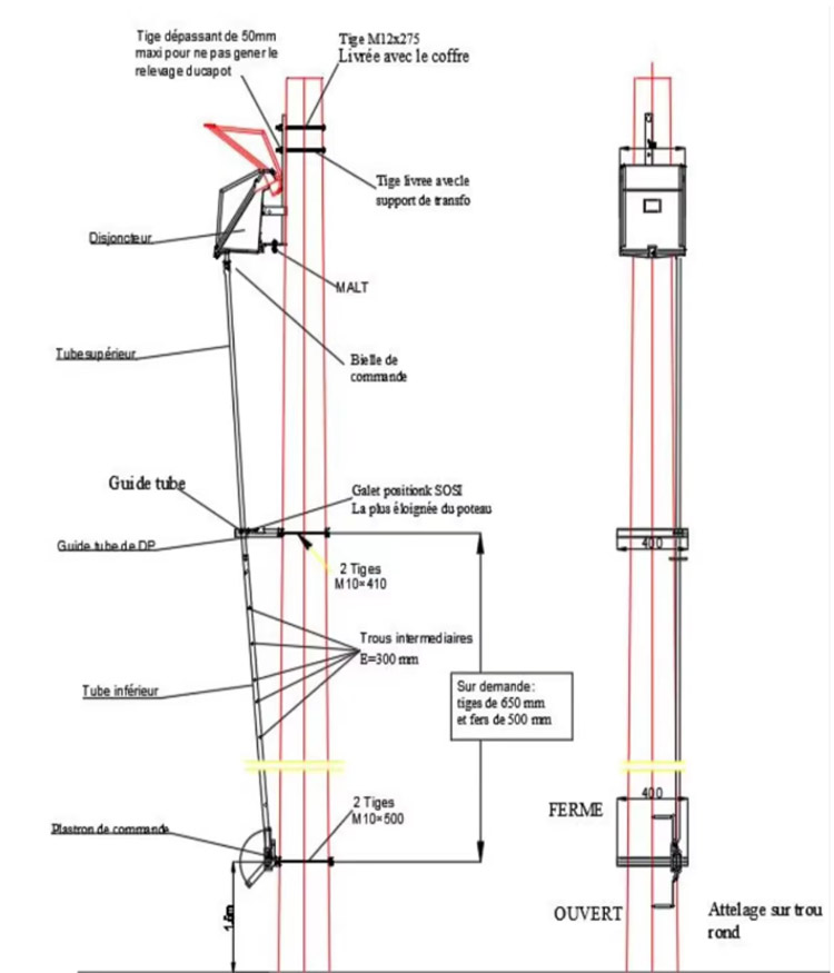
These devices(4 poles, 3 of which are protected) are cut-off in the air with chambers with metal partitons for cutting the arc. An open circuit bteaker, a contact that establishes an electrical connection between the neutral of the transformer and the ground of the substation. Closing circuit breaker, a splitter limits the potential rise of the neutral BT in relation to the ground of the masses for a value greater than 10 kV. The circuit breaker is mounted inside a weather-resistant fiberglass reinforced polyestercase. Digital trigger blocks The digital trigger block provides protection for the 3 transformer calibres on the pole(50kVA, 100kVA and 160kVA), whether conventional transformers (without internal protection) or new transformers with protection(TPC). A selector allows the choice of the protection gauge of the transformer. The microcontroller evaluates in real time the presumed temperature of the transformer from the current on all three phases and the ourside ambient temperature. The latter is itself calculated from the probe and a mathematical model as a function also of the 3 phase currents. In case of intergration of trigger block in an old generation pole breaker, the load intergrator function, if it exists, will be inhibited.



- ← Previous:Coupure interrupteur/disjoncteur
- No More:Next →
Yueqing Longchen Electrical Co.Ltd.